選擇智通 大品牌 有保障 值得信任
大家好!我是PLC編程培訓專業培訓教育機構大朗智通培訓學校課程顧問王老師;今天給大家分享:電氣自動化常用電氣元件
零基礎學習plc編程從哪里開始? 當然是從認識電氣元件,及元件接線開始,那么接下來我就帶大家了解一下自動化行業常用的電氣元件!松山湖plc編程培訓機構哪家好?plc編程培訓學習內容有哪些?
一:常見電氣元件:
1.開關電源
2.指示燈
3.按鈕開關
4.繼電器
5.傳感器
6.電磁閥
7.氣缸
二:常見電氣簡介:
1).開關電源:如下圖示,主要提供5V到36V可調低壓電源,根據需求,一般調至24V給自動化設備供電及信號輸入輸出,引入220V,輸出可調低壓;
2).指示燈(HL):如下圖示,自動化常用24V指示燈,兩個端子,無正負極之分;PLC編程培訓
3).按鈕開關(SB):如下圖示,自動化常用按鈕開關,一般有一組常開(NO),一組常閉(NC)兩組觸點,無正負極之分,有自鎖,點動兩類,點動居多;
4).繼電器(KA):如下圖示,


線 圈:14腳接24V,13腳接0V;
公 共 端:9腳,12腳;
兩組常開:9腳對應5腳,12腳對應8腳;
兩組常閉:9腳對應1腳,12腳對應4腳;
原 理 動作原理:繼電器線圈得電,常開觸點變常閉,常閉觸點變常開,線圈失電,常開觸點恢復常開,常閉觸點恢復常閉;
5).傳感器:如下圖示,

(1)傳感器根據不同應用場合及原理可分為:
接近開關,光電開關,磁環開關,液位開關,行程開關,壓力傳感器,光柵開關等等
(2)傳感器按電平高低可分為:
高電平(PNP) 低電平(NPN)

(3)傳感器按接線可分為:
二線:棕色接24V,藍色接信號線;
三線:棕色接24V,藍色接0V,黑色接信號線
四線:棕色接24V,藍色接0V,黑,白兩色對應常開,常閉,只能選其一;
五線:在四線基礎上多出一根灰色或粉色,一般認為接地,不常見;
注意:以上三線使用居多;工業機器人編程培訓
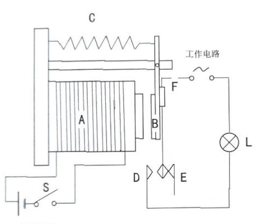
6)電磁閥(YA):如下圖示,常見以下二位五通電磁閥
(1)電路接線:一根接信號線,另一根根據信號線輸出信號類型接24V或0V;
(2)氣路原理:P為公共端,R,S為排氣閥(消音閥),常態下,P/A常開,P/B常閉,線圈得電,P/A變常閉,P/B變常開,線圈失電,,P/A恢復 常開,P/B恢復常閉 PLC編程培訓
7)氣缸:如下圖示,氣缸種類繁多,手指氣缸,旋轉氣缸,無桿氣缸等等;氣缸需要電磁閥配合使用,實氣缸伸縮運動
氣動原理圖
以上我們介紹了部分自動化常用電氣元件,如果你想要了解更多電氣自動化以及PLC知識請聯系我們!
對PLC編程有興趣的同學還有問題的歡迎聯系王老師哦!
大朗智通培訓學校,無論你是有PLC編程基礎還是沒有PLC編程基礎的,可根據個人的知識定制化培訓與學習;大朗智通培訓學校專業PLC,更能享受到老師一對一的輔導與服務,想學PLC編程就來大朗智通培訓學校找王老師咨詢了解
以上是關于:自動化常用電氣元件介紹!歡迎大家轉發和收藏,更多關于學習資訊請添加顧問老師微信或電話咨詢。
課程隨到隨學,理論+實操+項目案例+課程作業+老師現場輔導
有全日制、周末班、晚班(滾動開班,隨到隨學)
一經報名學會為止
課程項目:電工考證培訓(年審/換證)、焊工考證培訓(年審/換證)、PLC電氣自動化編程培訓、機械設計(CAD SOLIDWORKS)、工業機器人編程應用、教師資格證、學歷教育(大專/本科)考證、主要負責人初訓,安全管理員初訓,會計培訓考證、辦公軟件、電商、平面設計等等。


掃碼立刻了解課程

